PR600-300大跨度拱形建筑设备
![]() |
-
主要技术参数:
尺寸: 8900mm×2000mm×2400mm
总重量: 约10000KG
控制系统: 电控系统
切割材质: 铬12钼
主功率: 5.5KW
打弯功率: 3.0KW+1.5KW
切割功率: 3.0KW
咬口功率: 1.1KW+1.1KW
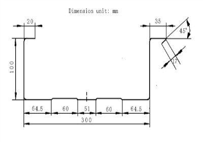
进板宽度: 600mm
出板宽度:300mm
凹槽深度:100mm
彩板利用率: 50%
*大跨度: ≤30m
装运条件: 40英尺高柜
特点:
1.机器辊轴都是由45号钢制作,高频淬火,镀硬铬
2.机器拱形成型部分叶片厚10毫米,数控铣片。
3.出板长度有电子计量器械或机械计量器两种仪器计量。
4.机器剪切部分有液压和机械两种方式,控制系统分为手动控制和自动控制,可以根据你的需求进行选择。
5.拱板弯曲度的调整采用了助力手轮和计数器,操作简单,保证了质量和尺寸的精度。
6.吊具轻巧(美国吊具为 30KG,我公司吊具为2KG ),便于装卸,吊装速度快。
- 营口普瑞机械设备制造有限公司
主营业务:钢桶生产线,钢桶,BH-240/BH-120拱板成型设备,无梁柱建筑成型设备,搭接版设备,拱板工程
联 系 人 :王女士
联系方式:0417-3837961 13904170567 → 联系我时请告知是在建材采购网看到的
详情介绍更新时间:2021/7/29 16:01:17
相关产品

- 恒戈牌小型电焊条生产线/全自动电焊条机械设备现货
价格:电询 品牌:恒戈
山东恒戈焊材有限公司是一家专注电焊条生产线机械设备的制造商,多年来与国内外电焊条生产制造工厂企业进行广泛..

- 各种钢管收口机 质量可靠 收口效果不错 生产厂家
价格:250000元/套 品牌:固宇设备
该机器采用自动变量液压设计,空载时间短,钢管收口机缩口机缩管速度快等优点。超薄扣管机,超薄扣压体,高频热..

- 全自动弯箍机 数控钢筋弯箍机厂家
价格:130000元/套 品牌:山东飞宏
基建钢筋加工设备: 数控钢筋笼滚焊机、数控双机头立式钢筋弯曲中心、数控双..

- 全自动铁皮下料机
价格:电询 品牌:达弘机械设备
廊坊达弘机械设备有限公司生产铁皮下料机、液压卷板机,机械三轴卷板机,液压锥形卷圆机,多轴校平机压平机,全..

- 四连钢筋拔丝机设备 宏泉机械
价格:11447元/套 品牌:宏泉
四连滑轮式拉丝机:进线6.5mm,出线3.8mm,重量3200kg,功率15kw*4,产量900kg/h..

- 瑞博螺旋风管机 保温通风管道设备
价格:电询 品牌:瑞博
廊坊瑞博通风设备有限公司位于京、津、冀经济三角区之内,座落于廊坊市固安县王龙经济开发区。地理位置优越,交..

- 螺旋风管机配套设备 虾米弯头机 咬口机,法兰成型机
价格:电询
虾米弯头机主要用于空调暖通风管上做弯头。 虾米弯头机,圆管咬口机,圆管咬合机 XMWT-1000(..

- 廊坊旋装滤中心管卷圆机-液压油滤中心管卷圆机
价格:电询 品牌:瑞博
中心管卷圆机 全自动中心管卷圆机技术参数 板厚:0.2--0.38毫米 带宽:45毫米 生产管径:..

